yl23411永利(中国集团)有限公司-官方网站
破碎选矿生产线

固定式/移动式破碎选矿生产线-矿山石料破碎制沙选矿生产线

当前位置:主页>公司产品 > 破碎选矿生产线>150-400T高岭土钽铌矿矿选矿设备

150-400T高岭土钽铌矿矿选矿设备

来源:永利yl23411集团官网入口发布时间:21-11-12

宝石矿选矿设备

卧式离心机与立式离心机对比
Comparison between horizontal centrifuge and vertical centrifuge

卧式全自动排矿离心机

立式手动排矿离心机

控制方式

PLC电脑全自动控制

人工手动控制

卸矿方式

自动

手动

转子结构

卧式(两端固定)

立式(下端固定)

稳定性

(使用寿命高)

(使用寿命低)

安装方式

不需要水平硬化基础

水平硬化基础

进料方式

沙泵(能控制进料浓度在30%)

高低落差自流(不能控制进料浓度)

回收率

90%以上

70%

应用于移动设备

最大型号

1200# 及以上(需要订制)

80#

150-400T高岭土钽铌矿钨矿铅锌矿汞矿金银矿宝石矿选矿设备技术参数&报价清单

名称

Production

规格

Specification

数量

Quantity

功率

Power

单价

Unit price

总价

Total price

备注

Remark

一号移动式交叉洗矿设备

No.1Mobile desliming machine

振动给料机(Vibrating Feeder)3896# 15KW

脱泥浆设备(Desliming machine):4200*1500 37KW*1

6inch沙泵sand pump+30KW电机motor

底盘(Truck chasis)1(set)

1

(set)

二号移动式筛分脱泥设备

No.2Mobile trommel dewater machine

进料斗(Feed Hopper)3.4*2.85m

滚筒筛(Trommel screen):内径1米,外径1.3米,净筛网长度2.5米,内含多条铰刀,链条驱动

Inner dia.:1m,outer dia.:1.3m,screen mesh 2.5m,including reamers all over the trommel screen,driving with chain

底盘长度:约10m

Truck chasis:About 10m

轮胎416条轮胎 900-2#

Tyre:  4axle16 wheels900-2#

沙泵&料箱6 +30KW电机

Sand pump#mineral box:6inch+30kw motor

离心水泵(Centrifugal pump)

18.5KW 1

分水器(Water segregator):带阀门 with valve

脱泥筛:筛板尺寸:2000*3850

Desliming screen:screen mesh:2000*3850

旋流器(Hydrocyclone)350# 2

电机(Motor)3.2KW*2

沙泵(Sand pump)4寸沙泵sand pump+15KW电机motor+泵箱mineral box

机械支腿:4

Mechanical leg:4pcs

1(set)

含机器本身使用管道,不含外部水源至机器管道

Including the water pipes of machine use,excluding the pipes to water resource

三号移动式离心选矿设备

No.3 mobile centrifgual separating car

1.底盘chassis     四轴169.00-2#轮胎;

自制重型汽车底盘,采用56#\25#工字钢梁焊接

4 axle 16 tire 9.00-2     11set -        含牵引&转向系统

Including traction & steering system

2.离心机Centrifuge        规格:1200#卧式全自动排矿

Specifications:1200# horizontal fully automatic ore discharge

PLC电脑全自动控制

PLC computer automatic control

3.空气压缩机:3KW*1

Air compressor: 3kw * 1 set

4.电机:18.5KW*1Motor: 18.5kw * 1 set2        

5.液压系统Hydraulic system         

液压站1    1 hydraulic station

液压支腿8  8 hydraulic Outriggers     1

6.     离心水泵Centrifugal pump     

流量:200;扬程20米;65出输送距离200-300

Flow: 200m3/h; conveying distance: 200-300m; lift: 20m

Inlet: 6 inches; outlet: 5 inches   1

含进水管道12(橡胶钢丝管),出水管道30(消防水带),超出部分由配件选择。

The water inlet pipe is 12m (rubber steel pipe), and the outlet pipe is 30m (fire hose). The excess part is selected by accessories.

7.     7寸沙泵7 inch sand pump       进料7寸;出料6

Feed 7 inches; discharge 6 inches

输送距离40-60米,扬程10The conveying distance is 40-60m and the lift is 10m

流量Flow360m3 /h

配带出料管道(橡胶钢丝管)30

Equipped with discharge pipe (rubber steel pipe) 30m

8.料箱      板厚12mm;容积约5.7m3  1

9.PLC控制柜Power Distribution Box     开关品牌:德力西

Switch brand: Delixi含至设备电机线,不含电缆线

Including motor line to equipment, excluding cable line

1(set)

跳汰机

跳汰室形状:矩形

跳汰室面积:8m2

     程:M20M25M30

     次: 60120/

给矿粒度:  小于10mm

补加水量:150-220立方/小时

补加水压力:不小于0.1Mpa

处理量: 10~25/h

电机功率: 5.5Kw×3

外形尺寸:6024×2010×2610

重量: 5400KG

处理量有可能超出参数。

传动方式:叁传动。

排矿方式:筛下排矿。

1(set)

跳汰机牵引雪橇式底座

1

水泵

Water pump

1(set)

柴油泵组

Diesel pump set

柴油机+6寸泵

Diesel engine+6 inch pump

1(set)

配电柜

Electric box

1(pcs)

含至设备电机线,不含电缆线

Including the eletric wire to machine,

Excluding the cable

总功率

Total power

300KW

出厂价格

150-400T高岭土钽铌矿钨矿铅锌矿汞矿金银矿宝石矿选矿设备价格15053659999来电详询¥元(不运费,税率13%


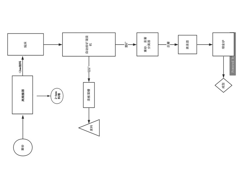
150-400T高岭土钽铌矿钨矿铅锌矿汞矿金银矿宝石矿选矿设备工艺流程图:

宝石矿选矿设备


3 1#交叉洗矿车示意图

宝石矿选矿设备

交叉洗矿车


宝石矿选矿设备

4 2#筛分脱泥车示意图

宝石矿选矿设备

全自动选矿离心机

宝石矿选矿设备

跳汰机

宝石矿选矿设备